欢迎访问江苏富天江电子电器有限公司网站
0523-84807819
企业邮箱
日本語
ENGLISH
网站首页
关于我们
公司简介
发展历程
企业文化
组织结构
产品中心
直流无刷电机
交流变频电机
空调压缩机
新闻资讯
公司新闻
行业新闻
工厂展示
厂容厂貌
车间全景
设备能力
检测设备
生产设备
企业荣誉
下载中心
联系我们
首页
>>
产品中心
>>
直流无刷电机
主图
典型参数
型号
FSDC030
极数
8
输出功率
23
电压
DC280±10%
最大效率
81.5
额定转速
800
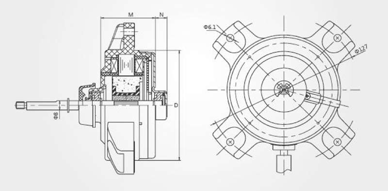
结构图
技术规格
类型
无刷直流电动机
绝缘等级
E 级
外壳
BMC+钢板端盖
转子
塑磁铁氧体
定子
电磁钢板
控制方式
PWM脉宽调制
通电方式
120°/180°正弦波驱动
反馈信号
12PPR
安装姿势
水平
防电腐蚀
SUS导通板
曲线图
上一篇
下一篇
随机产品
查看大图
查看详情
无刷直流风扇电机Ф95(FSDC001)
查看大图
查看详情
无刷直流风扇电机Ф95(FSDC002)
查看大图
查看详情
无刷直流风扇电机Ф95(FSDC003)
产品中心
直流无刷电机
交流变频电机
空调压缩机
产品中心
无刷直流风扇电机Ф95(FSDC001)
Date:
无刷直流风扇电机Ф95(FSDC002)
Date:
无刷直流风扇电机Ф95(FSDC003)
Date:
无刷直流风扇电机Ф95(PSDC004)
Date:
无刷直流风扇电机φ95(FSDC005)
Date:
联系询价
提交信息
联系询价
提交留言